Zurück zur Objektiv-Liste

Nikon Non-AI

1963 - 1977

Technische Daten

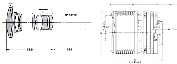
Brennweite
43- 86 mm
Maximale Blende
f/3.5
Minimale Blende
f/22
Anschluss
Niknon-AI
Linsenelemente
9 in 7 Gruppen
Naheinstellung
1.2
Gewicht
410

Bilder

Nikon Non-AI
Nikon Non-AI
Nikon Non-AI

Info

ID: 1353