Zurück zur Kamera-Liste

Zeiss Ikon Contaflex I (861/24)

1953 - 1958

Zeiss Ikon Contaflex I (861/24)

Beschreibung

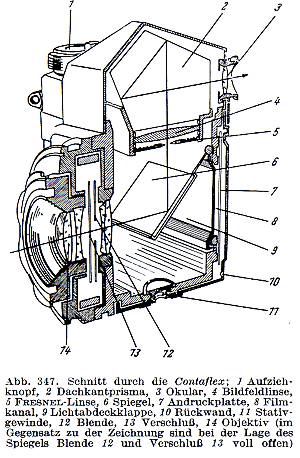
Mit der soeben von Zeiss Ikon herausgebrachten Contaflex ist in der Entwicklung der Kleinbild-Kameras ein neuer weiterer Schritt vorwärts getan. Das grundsätzlich Neuartige liegt in der Kombination folgender Punkte: Kleinbild-Kamera vom Typ der Contax, jedoch mit Synchro-Compur-Verschluss für Voll-Synchronisation und nach dem Spiegelreflex-Prinzip in Augenhöhe arbeitend. Im einzelnen: Das Contax-System hat sich, wie die Erfahrung lehrt, bewährt; das sind u. a. Kupplung aller Funktionen in einem Handgriff wie Weiterschaltung des Filmes, Aufzug des Verschlusses und Doppelbelichtungssperre; Verwendbarkeit aller handelsüblich konfektionierten Filme in Patrone, Contax-Kassette bzw. nach dem Zwei-Kassetten-Prinzip, das schnelle Austauschbarkeit von Schwarzweiß-Film gegen Farbfilm gestattet. Alle diese Einzelheiten sind bei der Contaflex beibehalten worden, wie überhaupt kaum ein Unterschied zwischen dem Contaxgehäuse und seiner Konstruktion besteht. Nicht beibehalten ist jedoch der Schlitzverschluss. So beliebt dieser für kürzeste Belichtungszeiten (die übrigens nur ganz selten gebraucht wurden) war, so wenig geeignet ist er bei Verwendung des Elektronenblitzes. Der Zentralverschluss der Contaflex ist bis 1/500 Sekunde mit Blitzlicht synchronisierbar.

Die beabsichtigte Blende ist während des Einstellens bereits vorgewählt. doch bleibt das Objektiv (Tessar 2,8/4,5 cm) voll geöffnet. Erst im Augenblick der Aufnahme schließt sich die „Synchronblende" selbsttätig auf das gewünschte Maß.

Beim Druck auf den Auslöser laufen folgende Vorgänge in 1/50 Sekunde ab: Die Verschlusslamellen schließen sich, die Blende springt auf den eingestellten Wert, Spiegel und Abdeckplatte der Filmbühne schnellen hoch, der Verschluss öffnet und schließt sich wieder. Beim Betätigen des Filmaufzugsknopfes geschieht andererseits: Weitertransport des Filmes tun eine Länge, Abschluss des Bildfensters durch die Abdeckplatte, Neigung des Spiegels in Einstell-Lage, Spannen des Verschlusses, volles Offnen der Blende und der Verschlusslamellen, Weiterrücken der Bildzähluhr um eine Zahl.

(Produktinformation 1953)

Technische Daten

Klicken Sie auf eine Eigenschaft, um alle Kameras mit dieser Eigenschaft zu sehen. Oder wählen Sie mehrere Eigenschaften mit Checkboxen aus, um Kameras zu finden, die alle gewählten Eigenschaften besitzen.

0 Eigenschaften ausgewählt (mindestens 2 erforderlich)

Weitere Bilder (14)

Zeiss Ikon Contaflex I (861/24)
Zeiss Ikon Contaflex I (861/24)
Zeiss Ikon Contaflex I (861/24)
Zeiss Ikon Contaflex I (861/24)
Zeiss Ikon Contaflex I (861/24)
Zeiss Ikon Contaflex I (861/24)
Zeiss Ikon Contaflex I (861/24)
Zeiss Ikon Contaflex I (861/24)
Zeiss Ikon Contaflex I (861/24)
Zeiss Ikon Contaflex I (861/24)
Zeiss Ikon Contaflex I (861/24)
Zeiss Ikon Contaflex I (861/24)
Zeiss Ikon Contaflex I (861/24)
Zeiss Ikon Contaflex I (861/24)

Info

ID: 1237

Artikel: 1